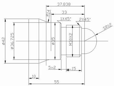
您的位置首页生活百科 cnc编程 Simone 发布于 2025-10-09 14:23:18 812 阅读 cnc编程的有关信息介绍如下:Computerized Numerical Control指的是数控加工中心,也就是普通的加工机器变成用电脑控制的那一种。想要了解更多“cnc编程”的信息,请点击:cnc编程百科