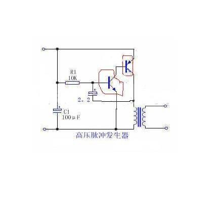
高压脉冲发生器
的有关信息介绍如下:
高压脉冲发生器广泛用于电表、家用电器、低压电器、机电等相关行业进行绝缘性能试验。
食品杀菌用高压脉冲发生器仍以指数衰减波为主,其技术相对比较成熟,但其存在杀菌效率低、能耗高等缺点;而杀菌效率高、能耗低的方波脉冲发生器由于电路复杂,成本高等因素使其仍处于实验室阶段,大规模工业化应用仍有一定的差距。
想要了解更多“高压脉冲发生器”的信息,请点击:高压脉冲发生器百科

高压脉冲发生器广泛用于电表、家用电器、低压电器、机电等相关行业进行绝缘性能试验。
食品杀菌用高压脉冲发生器仍以指数衰减波为主,其技术相对比较成熟,但其存在杀菌效率低、能耗高等缺点;而杀菌效率高、能耗低的方波脉冲发生器由于电路复杂,成本高等因素使其仍处于实验室阶段,大规模工业化应用仍有一定的差距。
想要了解更多“高压脉冲发生器”的信息,请点击:高压脉冲发生器百科