TTL电路
的有关信息介绍如下:
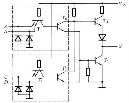
TTL电路是晶体管-晶体管逻辑电路的英文缩写(Transistor-Transistor-Logic ),TTL电路是数字集成电路的一大门类。它采用双极型工艺制造,具有高速度高功耗(相对于CMOS)和品种多等特点。
想要了解更多“TTL电路”的信息,请点击:TTL电路百科

TTL电路是晶体管-晶体管逻辑电路的英文缩写(Transistor-Transistor-Logic ),TTL电路是数字集成电路的一大门类。它采用双极型工艺制造,具有高速度高功耗(相对于CMOS)和品种多等特点。
想要了解更多“TTL电路”的信息,请点击:TTL电路百科